
Designtipps für Präzisionssignalketten mit großer Bandbreite
Instrumentenverstärker mit programmierbarer Verstärkung
Hardwareentwickler erhalten Hilfe und sparen so Zeit bei der Entwicklung von Instrumentenverstärkern mit programmierbarer Verstärkung und großer Bandbreite – von der Auswahl der diskreten Standardkomponenten bis hin zur Leistungsbewertung.
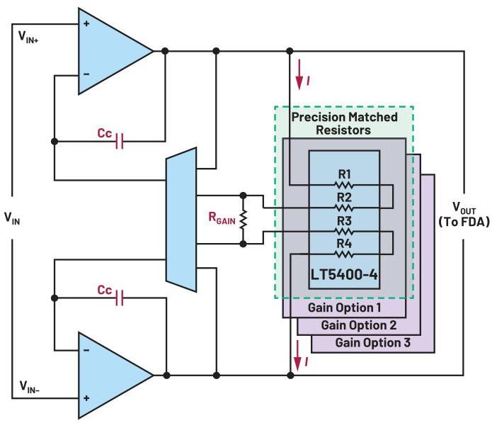
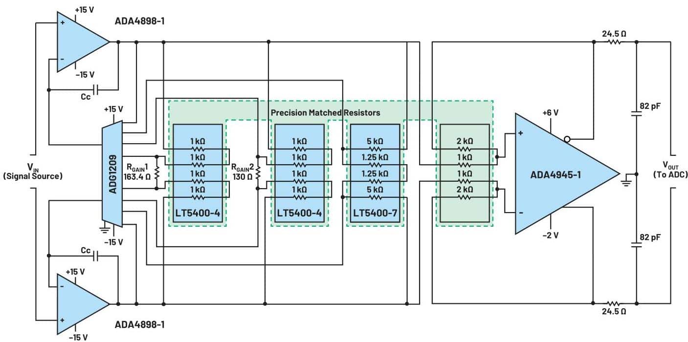
Ein Teilsystem zur Präzisionsdatenerfassung besteht in der Regel aus hochleistungsfähigen, diskreten linearen Signalkettenblöcken zum Messen und Schützen, Konditionieren und Erfassen oder Synthetisieren und Steuern. Hardwaredesigner, die diese Signalketten für die Datenerfassung entwickeln, benötigen typischerweise eine hohe Eingangsimpedanz, um eine direkte Schnittstelle mit einer Vielzahl von Sensoren zu ermöglichen. In diesem Fall wird oft eine programmierbare Verstärkung benötigt, um die Schaltung an unterschiedliche Eingangssignalamplituden anzupassen – unipolar oder bipolar und unsymmetrisch oder differentiell mit unterschiedlichen Gleichtaktspannungen.
Die Mehrheit der Instrumentenverstärker mit programmierbarer Verstärkung (PGIAs) bietet traditionell einen unsymmetrischen Ausgang, der eine vollständig differenzielle, hochpräzise auf SAR-Architektur basierende Signalkette nicht direkt mit voller Geschwindigkeit treiben kann und möglicherweise mindestens eine Signalkonditionierung oder Treiberstufe erfordert.
Dieser Artikel konzentriert sich auf die Schlüsselaspekte des Entwurfs eines diskreten, vollständig differenziellen PGIA mit großer Bandbreite und demonstriert seine Präzisionsleistung beim Ansteuern einer Hochgeschwindigkeits-Signalkette mit der μModule®-Datenerfassungslösung.
Laden Sie dieses Whitepaper herunter und erfahren Sie mehr über:
- Designtipps und Überlegungen zur Komponentenauswahl
- Einstellung der PGIA-Verstärkung
- PGIA-Netzteile und Performance
- Leistung der gesamten Signalkette
Erläutert werden Zeitfaktoren und Lösungen zur Reduzierung des Stromverbrauchs bei Aufrechterhaltung der Präzision in Mess- und Überwachungsanwendungen, außerdem Timings von analogem Frontend, ADC und digitaler Schnittstelle.