Wenn sich der Markt dreht: SEMITRON zwischen Digitalisierung, Lieferkrise und zukünftigem Wachstum

In einem aktuellen Fachbeitrag der Elektronikpraxis erläutert SEMITRON, wie nahezu 50 Jahre Erfahrung im Vertrieb sowie umfassende Inhouse-Testkompetenz die Entwicklung des Unternehmens geprägt haben. Nach dem Wegfall zweier langjähriger Lieferanten richtet SEMITRON seine Strategie neu aus und setzt verstärkt auf Digitalisierung sowie die Erschließung neuer Märkte, um die nächste Wachstumsphase nachhaltig zu gestalten.
What Are the Most Important Timing Factors for Low-Power Precision Signal Chain Applications? Part 1

This article explains timing factors and solutions for reducing power while maintaining precision in low-power systems, as required for measurement and monitoring applications. It explores analog f…
What are the Best Applications for IoT in the New World of IC Power Management?

This article explores Internet of Things (IoT) battery technology. It describes some of the problems that designers face with power sourcing and provides solutions from Analog Devices. These soluti…
What Are the Basic Guidelines for Layout Design of Mixed-Signal PCBs?

This article will detail what to consider when designing the layout of mixed-signal PCBs. It will cover component placement, board layering, and ground plane considerations. The guidelines discusse…
Step-by-Step Noise Analysis Guide for Your Signal Chain

This article presents the steps needed to carry out a theoretical analysis on the noise performance for a high speed wide bandwidth signal chain. Although a specific signal chain is chosen for the …
Simplify Design, Enhance Performance, and Save Valuable Time with Precision Signal Chain uModule Solutions

Analog Devices‘ precision signal chain uModule solutions provide system designers with a compact, highly customizable, integrated solution that simplifies design, enhances performance, and saves va…
Power Quality Monitoring: The Importance of Standards Compliant Power Quality Measurements

This article discusses the importance of power quality (PQ) measurements in today’s electric infrastructure and reviews areas of application for PQ monitoring. It will cover the IEC standard for po…
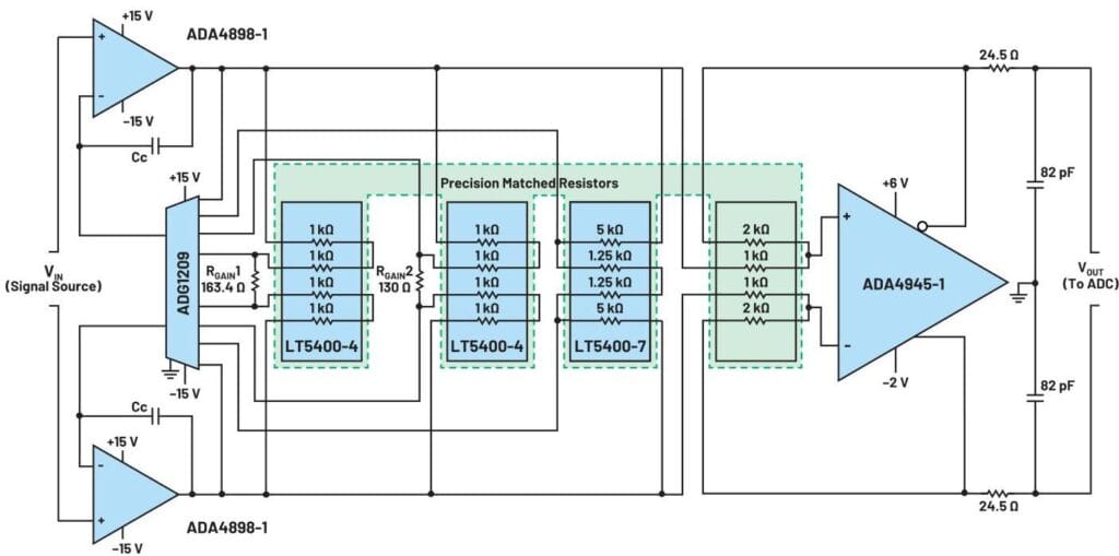
How to Design a Programmable Gain Instrumentation Amplifier for Precision Wide Bandwidth Signal Chains

This article aims to help hardware designers with the design of wide bandwidth programmable gain instrumentation amplifiers (PGIAs) from the selection of off-the-shelf discrete components to perfor…
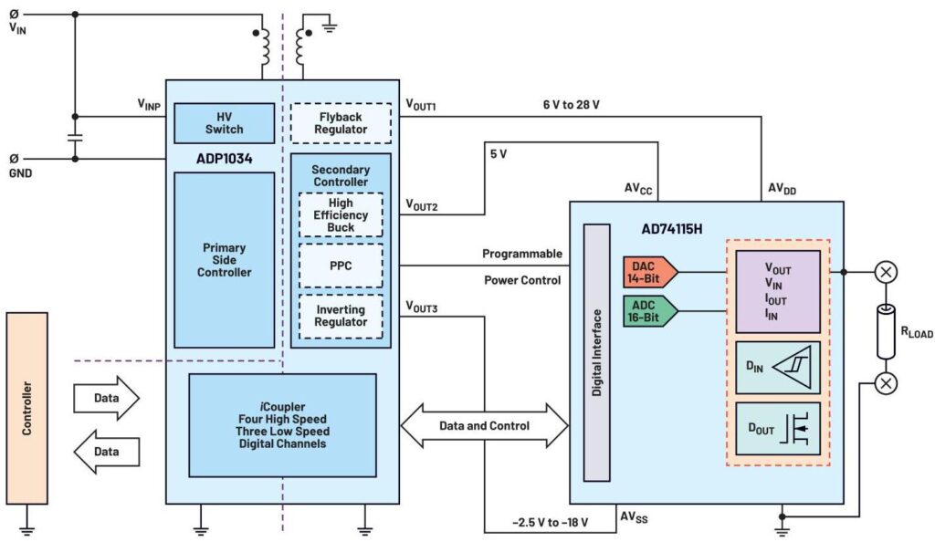
A Highly Integrated, System-Level Approach to Ease Design of Isolated Software Configurable I/O Channels

This article presents a software configurable input/output (I/O) device and its dedicated isolated power and data solution that helps solve the design challenges in system-level industrial applicat…
Enabling Robot Operating Systems—Introducing the ADI Trinamic Motor Controller ROS1 Driver

Robot Operating System (ROS) drivers were developed on Analog Devices products so that they can be readily used within a ROS ecosystem. This article will give an overview on how to use and integrat…